Science and Technology DataBase
请教一下关于类封装的问题,SCPI指令怎么用类来封装
LabVIEW
labview
vincent_liu
2025年10月14日06:37
1
3
987×647 52.4 KB
上面这是一条SCPI指令
类.zip
(21.1 KB)
123
1578×999 112 KB
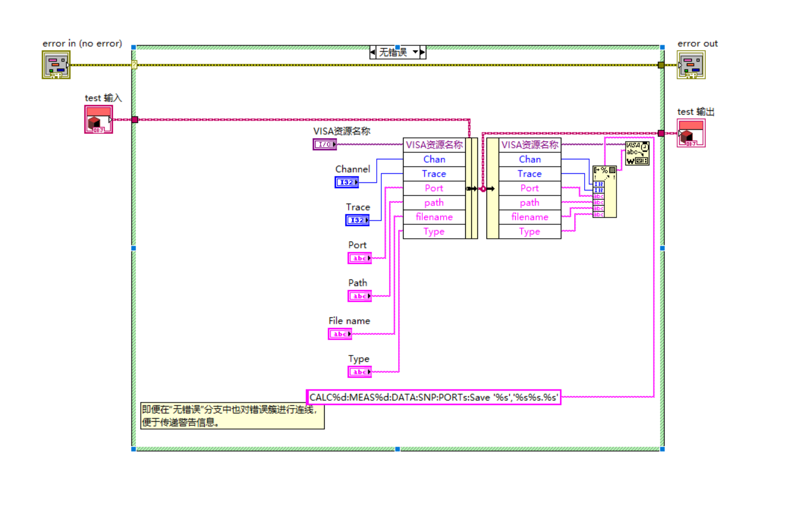
我用类封装成上面这个图,感觉越搞越复杂了,但我也不知道这种写法对不对,请大佬们指导指导,感谢感谢